Err

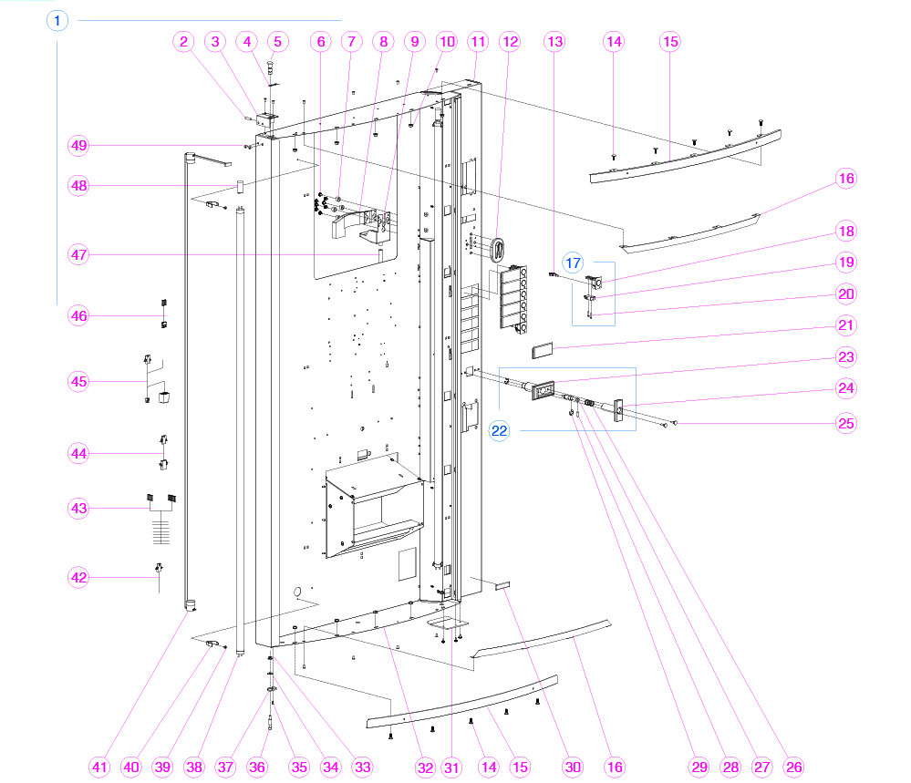
Pièces Détachées

01 - Porte STD

01 - Porte STD

num;sku
1;VD136730/1
1;VD136494/1
2;VD386924
3;VD138680
4;VD395642
5;VD386922
6;VD800570
7;VD390962
8;VD390019
9;VD395757
10;VD398224/2
11;VD138681/1
12;VD395756
13;VD136553
14;VD386797/1
15;VD394691
16;VD401517
17;VD136368/1
18;VD395076
19;VD388287
20;VD381603/3
21;VD135176
22;VD134185/3
23;VD395603
24;VD395604
25;VD375973/1
26;VD375839
27;VD397357
28;VD375840
29;VD375844
30;VD394444
31;VD390067
32;VD138683
33;VD398224/3
34;VD38148
35;VD381603/5
36;VD395567
37;VD386896
38;VD399624
38;FL/1500
39;VD800565
40;VD371438
41;VD137214/1
41;VD137214/8
42;VD136566
43;VD136493/1
44;VD135554/2
45;FL/FS11
46;VD135449
47;VD398883
48;VD369741/1
49;VD390559